

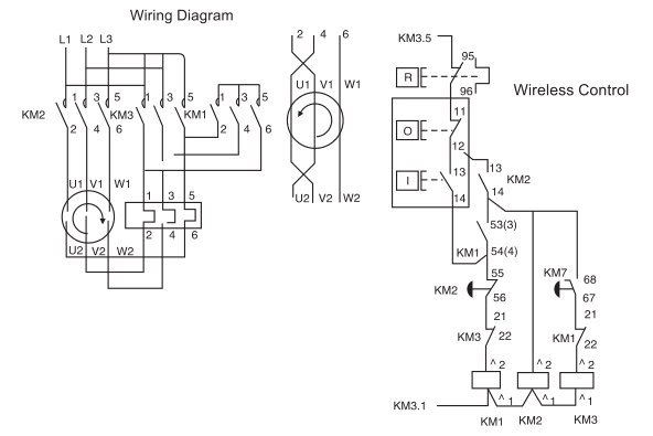
CEC3-D系列“星三角”減壓起動器適用于交流50/60Hz額定電壓660V電流至95A的電路中,作為電動機的起動裝置之用,它設有定時器,可進行星三角轉換減壓起動以降低電動機的起動電流對電網電壓的影響。
適用范圍:
CEC3-D系列“星三角”減壓起動器適用于交流50/60Hz額定電壓660V電流至95A的電路中,作為電動機的起動裝置之用,它設有定時器,可進行星三角轉換減壓起動以降低電動機的起動電流對電網電壓的影響。
技術參數:
| 型號 | 額定工作電流(A) | 三相電動機能率(KW) | |||
| AC負荷 | |||||
| AC3 | 220V | 380v | 415V | 44oV | |
| CEC3-D093 | g | 4 | 7.5 | 7.5 | 7.5 |
| CEC3-D123 | 12 | 5.5 | 11 | 11 | 11 |
| CEC3-D183 | 18 | 1 | 18.5 | 22 | 22 |
| CEC3-D253 | 25 | 11 | 22 | 22 | 22 |
| CEC3-D323 | 32 | 15 | 25 | 30 | 30 |
| CEC3-D403 | 40 | 18.5 | 37 | 37 | 37 |
| CEC3-D503 | 50 | 30 | 55 | 59 | 59 |
| CEC3-D653 | 65 | 32 | 55 | 59 | 59 |
| CEC3-D803 | 8o | 37 | 75 | 75 | 75 |
| CEC3-D953 | 95 | 45 | 80 | 80 | 80 |

創新探索,開創未來
